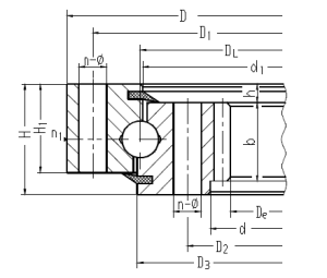
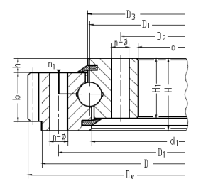
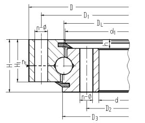
单排球式回转支承结构紧凑、重量轻,具有良好的承载能力,可同时承受轴向力、径向力及倾覆力矩。该产品由内圈、外圈、滚珠和保持架组成,运转灵活,安装方便。广泛应用于工程机械、起重运输、风电设备、回转平台等领域。根据使用需求可选带齿或不带齿结构,齿轮可位于内圈或外圈。通过精密加工与热处理工艺,确保其运行精度与使用寿命。适用于空间有限、结构简洁要求高的设备,是中小型旋转装置的理想选择。

| 型号 DL mm | De mm | D mm | d mm | H mm | n | φ mm | M mm | m mm | z | 参考重量 kg |
|---|---|---|---|---|---|---|---|---|---|---|
| 013.20.400 | 300 | 475 | 55 | 16 | 13.5 | 12 | 5 | 61 | 35 | |
| 013.20.450 | 345 | 531 | 55 | 16 | 15.5 | 14 | 5 | 70 | 40 | |
| 013.30.500 | 367 | 602 | 398 | 80 | 20 | 18 | 16 | 5 | 74 | 90 |
| 014.30.500 | 368.4 | 602 | 398 | 80 | 20 | 18 | 16 | 6 | 62 | 90 |
| 013.20.560 | 450 | 641 | 55 | 20 | 15.5 | 14 | 6 | 76 | 54 | |
| 013.30.560 | 427 | 662 | 458 | 80 | 20 | 18 | 16 | 5 | 86 | 102 |
| 014.30.560 | 428.4 | 662 | 458 | 80 | 20 | 18 | 16 | 6 | 72 | 102 |
| 013.30.630 | 494.4 | 732 | 528 | 80 | 24 | 18 | 16 | 6 | 83 | 116 |
| 014.30.630 | 491.2 | 732 | 528 | 80 | 24 | 18 | 16 | 8 | 62 | 116 |
| 013.20.710 | 594 | 797 | 55 | 24 | 18 | 16 | 6 | 100 | 71 | |
| 013.30.710 | 572.4 | 812 | 608 | 80 | 24 | 18 | 16 | 6 | 96 | 132 |
| 014.30.710 | 571.2 | 812 | 608 | 80 | 24 | 18 | 16 | 8 | 72 | 132 |
| 013.40.800 | 635.2 | 922 | 678 | 100 | 30 | 22 | 20 | 8 | 80 | 224 |
| 014.40.800 | 634 | 922 | 678 | 100 | 30 | 22 | 20 | 10 | 64 | 224 |
| 013.25.886 | 752 | 980 | 63 | 36 | 18 | 16 | 8 | 95 | 117 | |
| 013.40.900 | 739.2 | 1022 | 778 | 100 | 30 | 22 | 20 | 8 | 93 | 252 |
| 014.40.900 | 734 | 1022 | 778 | 100 | 30 | 22 | 20 | 10 | 74 | 252 |
| 013.40.1000 | 824 | 1122 | 878 | 100 | 36 | 22 | 20 | 10 | 83 | 292 |
| 014.40.1000 | 820.8 | 1122 | 878 | 100 | 36 | 22 | 20 | 12 | 69 | 292 |
| 013.25.1077 | 930 | 1169 | 63 | 36 | 18 | 16 | 10 | 94 | 147 | |
| 013.30.1120 | 960 | 1232 | 79 | 36 | 22 | 20 | 10 | 97 | 216 | |
| 013.40.1120 | 944 | 1242 | 998 | 100 | 36 | 22 | 20 | 10 | 95 | 333 |
| 014.40.1120 | 940.8 | 1242 | 998 | 100 | 36 | 22 | 20 | 12 | 79 | 333 |
| 013.30.1250 | 1090 | 1362 | 79 | 40 | 22 | 20 | 10 | 110 | 243 | |
| 013.45.1250 | 1048.8 | 1390 | 1110 | 110 | 40 | 26 | 24 | 12 | 88 | 467 |
| 014.45.1250 | 1041.6 | 1390 | 1110 | 110 | 40 | 26 | 24 | 14 | 75 | 467 |
| 013.30.1400 | 1224 | 1512 | 89 | 44 | 22 | 20 | 12 | 103 | 311 | |
| 013.45.1400 | 1192.8 | 1540 | 1260 | 110 | 40 | 26 | 24 | 12 | 100 | 529 |
| 014.45.1400 | 1195.6 | 1540 | 1260 | 110 | 40 | 26 | 24 | 14 | 86 | 529 |
| 013.40.1500 | 1308 | 1634 | 94 | 40 | 26 | 24 | 12 | 110 | 431 | |
| 013.30.1600 | 1428 | 1712 | 89 | 48 | 22 | 20 | 12 | 120 | 351 | |
| 013.45.1600 | 1391.6 | 1740 | 1460 | 110 | 45 | 26 | 24 | 14 | 100 | 607 |
| 014.45.1600 | 1382.4 | 1740 | 1460 | 110 | 45 | 26 | 24 | 16 | 87 | 620 |
| 013.40.1700 | 1498 | 1834 | 94 | 44 | 26 | 24 | 14 | 108 | 499 | |
| 013.45.1800 | 1573.6 | 1940 | 1660 | 110 | 45 | 26 | 24 | 14 | 113 | 721 |
| 014.45.1800 | 1574.4 | 1940 | 1660 | 110 | 45 | 26 | 24 | 16 | 99 | 721 |
| 013.50.1800 | 1554 | 1971 | 109 | 36 | 33 | 30 | 14 | 112 | 800 | |
| 013.50.2000 | 1764 | 2171 | 109 | 40 | 33 | 30 | 14 | 127 | 868 | |
| 013.60.2000 | 1734.4 | 2178 | 1825 | 144 | 48 | 33 | 30 | 16 | 109 | 1265 |
| 014.60.2000 | 1735.2 | 2178 | 1825 | 144 | 48 | 33 | 30 | 18 | 97 | 1265 |
| 013.50.2240 | 1984 | 2411 | 109 | 48 | 33 | 30 | 16 | 125 | 1009 | |
| 013.60.2240 | 1990.4 | 2418 | 2065 | 144 | 48 | 33 | 30 | 16 | 125 | 1393 |
| 014.60.2240 | 1987.2 | 2418 | 2065 | 144 | 48 | 33 | 30 | 18 | 111 | 1393 |
| 013.50.2490 | 2240 | 2661 | 109 | 54 | 33 | 30 | 16 | 141 | 1106 | |
| 013.60.2500 | 2239.2 | 2678 | 2325 | 144 | 56 | 33 | 30 | 18 | 125 | 1580 |
| 014.60.2500 | 2228 | 2678 | 2325 | 144 | 56 | 33 | 30 | 20 | 112 | 1580 |
| 013.50.2800 | 2544 | 2971 | 109 | 60 | 33 | 30 | 16 | 160 | 1265 | |
| 013.60.2800 | 2527.2 | 2978 | 2625 | 144 | 56 | 33 | 30 | 18 | 141 | 1800 |
| 014.60.2800 | 2528 | 2978 | 2625 | 144 | 56 | 33 | 30 | 20 | 127 | 1800 |
| 013.75.3150 | 2828 | 3376 | 2922 | 174 | 56 | 45 | 42 | 20 | 142 | 2840 |
| 014.75.3150 | 2824.8 | 3376 | 2922 | 174 | 56 | 45 | 42 | 22 | 129 | 2840 |

| 型号 DL mm | De mm | D mm | d mm | H mm | n | φ mm | M mm | m mm | z | 参考重量 kg |
|---|---|---|---|---|---|---|---|---|---|---|
| 011.20.400 | 499 | 325 | 55 | 16 | 13.5 | 12 | 5 | 97 | 37 | |
| 011.20.450 | 554 | 369 | 55 | 16 | 15.5 | 14 | 5 | 108 | 41 | |
| 011.30.500 | 629 | 602 | 398 | 80 | 20 | 18 | 16 | 5 | 123 | 89 |
| 012.30.500 | 628.8 | 602 | 398 | 80 | 20 | 18 | 16 | 6 | 102 | 89 |
| 011.20.560 | 670.8 | 479 | 55 | 20 | 15.5 | 14 | 6 | 109 | 56 | |
| 011.30.560 | 689 | 662 | 458 | 80 | 20 | 18 | 16 | 5 | 135 | 100 |
| 012.30.560 | 688.8 | 662 | 458 | 80 | 20 | 18 | 16 | 6 | 112 | 100 |
| 011.20.630 | 742.8 | 543 | 55 | 20 | 18 | 16 | 6 | 121 | 64 | |
| 011.30.630 | 772.8 | 732 | 528 | 80 | 24 | 18 | 16 | 6 | 126 | 118 |
| 012.30.630 | 774.4 | 732 | 528 | 80 | 24 | 18 | 16 | 8 | 94 | 118 |
| 011.20.710 | 820.8 | 623 | 55 | 24 | 18 | 16 | 6 | 134 | 70 | |
| 011.30.710 | 850.8 | 812 | 608 | 80 | 24 | 18 | 16 | 6 | 139 | 131 |
| 012.30.710 | 854.4 | 812 | 608 | 80 | 24 | 18 | 16 | 8 | 104 | 131 |
| 011.25.764 | 886.8 | 671 | 63 | 24 | 18 | 16 | 6 | 145 | 100 | |
| 011.20.800 | 930 | 894 | 704 | 70 | 20 | 17 | 16 | 6 | 154 | 120 |
| 012.20.800 | 936 | 894 | 704 | 70 | 20 | 17 | 16 | 8 | 116 | 120 |
| 011.25.800 | 942 | 904 | 692 | 78 | 18 | 22 | 20 | 6 | 156 | 150 |
| 012.25.800 | 952 | 904 | 692 | 78 | 18 | 22 | 20 | 8 | 118 | 154 |
| 011.40.800 | 966.4 | 922 | 678 | 100 | 30 | 22 | 20 | 8 | 118 | 219 |
| 012.40.800 | 968 | 922 | 678 | 100 | 30 | 22 | 20 | 10 | 94 | 219 |
| 011.25.900 | 1048 | 1004 | 792 | 78 | 20 | 22 | 20 | 8 | 130 | 170 |
| 012.25.900 | 1060 | 1004 | 792 | 78 | 20 | 22 | 20 | 10 | 105 | 176 |
| 011.40.900 | 1062.4 | 1022 | 778 | 100 | 30 | 22 | 20 | 8 | 130 | 244 |
| 012.40.900 | 1068 | 1022 | 778 | 100 | 30 | 22 | 20 | 10 | 104 | 244 |
| 011.25.980 | 1110.4 | 887 | 63 | 30 | 18 | 16 | 8 | 136 | 130 | |
| 011.25.1000 | 1152 | 1104 | 892 | 78 | 24 | 22 | 20 | 8 | 143 | 191 |
| 012.25.1000 | 1160 | 1104 | 892 | 78 | 24 | 22 | 20 | 10 | 115 | 194 |
| 011.35.1000 | 1160 | 1120 | 876 | 90 | 24 | 24 | 22 | 8 | 144 | 238 |
| 012.35.1000 | 1170 | 1120 | 876 | 90 | 24 | 24 | 22 | 10 | 116 | 244 |
| 011.40.1000 | 1188 | 1122 | 878 | 100 | 36 | 22 | 20 | 10 | 116 | 294 |
| 012.40.1000 | 1185.6 | 1122 | 878 | 100 | 36 | 22 | 20 | 12 | 96 | 284 |
| 011.25.1120 | 1278 | 1013 | 79 | 30 | 22 | 20 | 10 | 125 | 191 | |
| 011.35.1120 | 1300 | 1240 | 996 | 90 | 28 | 24 | 22 | 10 | 129 | 286 |
| 012.35.1120 | 1308 | 1240 | 996 | 90 | 28 | 24 | 22 | 12 | 108 | 289 |
| 011.40.1120 | 1298 | 1242 | 998 | 100 | 36 | 22 | 20 | 10 | 127 | 318 |
| 012.40.1120 | 1305.6 | 1242 | 998 | 100 | 36 | 22 | 20 | 12 | 106 | 318 |
| 011.30.1180 | 1338 | 1068 | 79 | 36 | 22 | 20 | 10 | 131 | 238 | |
| 011.25.1250 | 1408 | 1143 | 79 | 36 | 22 | 20 | 10 | 138 | 232 | |
| 011.35.1250 | 1430 | 1370 | 1126 | 90 | 32 | 24 | 22 | 10 | 142 | 317 |
| 012.35.1250 | 1440 | 1370 | 1126 | 90 | 32 | 24 | 22 | 12 | 119 | 324 |
| 011.40.1250 | 1450 | 1390 | 1108 | 102 | 32 | 26 | 24 | 10 | 144 | 416 |
| 012.40.1250 | 1452 | 1390 | 1108 | 102 | 32 | 26 | 24 | 12 | 120 | 412 |
| 011.45.1250 | 1450 | 1390 | 1110 | 110 | 40 | 26 | 24 | 12 | 118 | 438 |
| 012.45.1250 | 1453 | 1390 | 1110 | 110 | 40 | 26 | 24 | 14 | 101 | 438 |
| 011.30.1320 | 1497.6 | 1208 | 89 | 42 | 22 | 20 | 12 | 122 | 313 | |
| 011.35.1400 | 1584 | 1520 | 1276 | 90 | 36 | 24 | 22 | 12 | 131 | 354 |
| 012.35.1400 | 1596 | 1520 | 1276 | 90 | 36 | 24 | 22 | 14 | 113 | 364 |
| 011.40.1400 | 1608 | 1540 | 1258 | 102 | 36 | 26 | 24 | 12 | 133 | 470 |
| 012.40.1400 | 1610 | 1540 | 1258 | 102 | 36 | 26 | 24 | 14 | 114 | 465 |
| 011.40.1400 | 1593.6 | 1266 | 94 | 36 | 26 | 24 | 12 | 130 | 424 | |
| 011.45.1400 | 1605.6 | 1540 | 1260 | 110 | 40 | 26 | 24 | 12 | 131 | 501 |
| 012.45.1400 | 1607.2 | 1540 | 1260 | 110 | 40 | 26 | 24 | 14 | 112 | 501 |
| 011.30.1500 | 1677.6 | 1388 | 89 | 48 | 22 | 20 | 12 | 137 | 355 | |
| 011.40.1600 | 1803.2 | 1466 | 94 | 40 | 26 | 24 | 14 | 126 | 503 | |
| 011.40.1600 | 1812 | 1740 | 1458 | 102 | 40 | 26 | 24 | 12 | 150 | 554 |
| 012.40.1600 | 1820 | 1740 | 1458 | 102 | 40 | 26 | 24 | 14 | 129 | 561 |
| 011.45.1600 | 1817.2 | 1740 | 1460 | 110 | 45 | 26 | 24 | 14 | 127 | 584 |
| 012.45.1600 | 1820.8 | 1740 | 1460 | 110 | 45 | 26 | 24 | 16 | 111 | 584 |
| 011.50.1600 | 1824 | 1762 | 1434 | 124 | 40 | 30 | 27 | 12 | 151 | 750 |
| 012.50.1600 | 1834 | 1762 | 1434 | 124 | 40 | 30 | 27 | 14 | 130 | 763 |
| 011.40.1800 | 1999.2 | 1666 | 94 | 44 | 26 | 24 | 14 | 140 | 558 | |
| 011.40.1800 | 2016 | 1940 | 1658 | 102 | 44 | 26 | 24 | 14 | 143 | 612 |
| 012.40.1800 | 2032 | 1940 | 1658 | 102 | 44 | 26 | 24 | 16 | 126 | 637 |
| 011.45.1800 | 2013.2 | 1940 | 1660 | 110 | 45 | 26 | 24 | 14 | 141 | 652 |
| 012.45.1800 | 2012.8 | 1940 | 1660 | 110 | 45 | 26 | 24 | 16 | 123 | 639 |
| 011.50.1800 | 2044 | 1964 | 1634 | 124 | 44 | 30 | 27 | 14 | 145 | 887 |
| 012.50.1800 | 2048 | 1964 | 1634 | 124 | 44 | 30 | 27 | 16 | 127 | 885 |
| 011.50.1900 | 2139.2 | 2139.2 | 1729 | 109 | 36 | 33 | 30 | 14 | 150 | 861 |
| 011.60.2000 | 2268.8 | 2178 | 1825 | 144 | 48 | 33 | 30 | 16 | 139 | 1202 |
| 012.60.2000 | 2264.4 | 2178 | 1825 | 144 | 48 | 33 | 30 | 18 | 123 | 1169 |
| 011.50.2130 | 2380.8 | 2380.8 | 1959 | 109 | 48 | 33 | 30 | 16 | 146 | 978 |
| 011.60.2240 | 2492.8 | 2418 | 2065 | 144 | 48 | 33 | 30 | 16 | 153 | 1294 |
| 012.60.2240 | 2498.4 | 2418 | 2065 | 144 | 48 | 33 | 30 | 18 | 136 | 1294 |
| 011.50.2355 | 2604.8 | 2604.8 | 2184 | 109 | 54 | 33 | 30 | 16 | 160 | 1075 |
| 011.60.2500 | 2768.4 | 2678 | 2325 | 144 | 56 | 33 | 30 | 18 | 151 | 1509 |
| 012.60.2500 | 2776 | 2678 | 2325 | 144 | 56 | 33 | 30 | 20 | 136 | 1509 |
| 011.50.2645 | 2892.8 | 2892.8 | 2474 | 109 | 60 | 33 | 30 | 16 | 178 | 1199 |
| 011.60.2800 | 3074.4 | 2978 | 2625 | 144 | 56 | 33 | 30 | 18 | 168 | 1696 |
| 012.60.2800 | 3076 | 2978 | 2625 | 144 | 56 | 33 | 30 | 20 | 151 | 1696 |
| 011.75.3150 | 3476 | 3376 | 2922 | 174 | 56 | 45 | 42 | 20 | 171 | 2873 |
| 012.75.3150 | 3471.6 | 3376 | 2922 | 174 | 56 | 45 | 42 | 22 | 155 | 2873 |

| 型号 DL mm | D mm | d mm | H mm | D1 mm | D2 mm | n | φ mm | M mm | n1 | 参考重量 kg |
|---|---|---|---|---|---|---|---|---|---|---|
| 010.30.500 | 602 | 398 | 80 | 566 | 434 | 20 | 18 | 16 | 4 | 84 |
| 010.30.560 | 662 | 458 | 80 | 626 | 494 | 20 | 18 | 16 | 4 | 92 |
| 010.30.630 | 732 | 528 | 80 | 696 | 564 | 24 | 18 | 16 | 4 | 104 |
| 010.30.710 | 812 | 608 | 80 | 776 | 644 | 24 | 18 | 16 | 4 | 121 |
| 010.40.800 | 922 | 678 | 100 | 878 | 722 | 30 | 22 | 20 | 6 | 200 |
| 010.40.900 | 1022 | 778 | 100 | 978 | 822 | 30 | 22 | 20 | 6 | 225 |
| 010.40.1000 | 1122 | 878 | 100 | 1078 | 922 | 36 | 22 | 20 | 6 | 248 |
| 010.40.1120 | 1242 | 998 | 100 | 1198 | 1042 | 36 | 22 | 20 | 6 | 281 |
| 010.45.1250 | 1390 | 1110 | 110 | 1337 | 1163 | 40 | 26 | 24 | 5 | 399 |
| 010.45.1400 | 1540 | 1260 | 110 | 1487 | 1313 | 40 | 26 | 24 | 5 | 446 |
| 010.45.1600 | 1740 | 1460 | 110 | 1687 | 1513 | 45 | 26 | 24 | 5 | 507 |
| 010.45.1800 | 1940 | 1660 | 110 | 1887 | 1713 | 45 | 26 | 24 | 5 | 575 |
| 010.60.2000 | 2178 | 1825 | 144 | 2110 | 1891 | 48 | 33 | 30 | 8 | 1047 |
| 010.60.2240 | 2418 | 2065 | 144 | 2350 | 2131 | 48 | 33 | 30 | 8 | 1181 |
| 010.60.2500 | 2678 | 2325 | 144 | 2610 | 2391 | 56 | 33 | 30 | 8 | 1315 |
| 010.60.2800 | 2978 | 2625 | 144 | 2910 | 2691 | 56 | 33 | 30 | 8 | 1484 |
| 010.75.3150 | 3376 | 2922 | 174 | 3286 | 3014 | 56 | 45 | 42 | 8 | 2618 |








评价
目前还没有评价