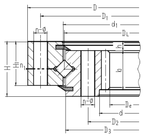
单排交叉滚柱式回转支承采用单圈滚道设计,滚柱以90°交叉排列布置,可同时承受轴向力、径向力及倾覆力矩,承载能力强、刚性高。其结构紧凑、精度高,旋转平稳,常用于工程机械、起重设备、雷达、医疗器械及回转台等场合。与球式回转支承相比,交叉滚柱型在承载与定位精度方面更具优势,适合需要高刚性与高旋转精度的工作环境。

| 型号 DL mm | De mm | D mm | d mm | H mm | n | φ mm | M mm | m mm | z | 参考重量 kg | |
|---|---|---|---|---|---|---|---|---|---|---|---|
| 113.25.500 | 367 | 602 | 398 | 75 | 20 | 18 | 16 | 5 | 74 | 85 | |
| 114.25.500 | 368.4 | 602 | 398 | 75 | 20 | 18 | 16 | 6 | 62 | 85 | |
| 113.25.560 | 427 | 662 | 458 | 75 | 20 | 18 | 16 | 5 | 86 | 96 | |
| 114.25.560 | 428.4 | 662 | 458 | 75 | 20 | 18 | 16 | 6 | 72 | 96 | |
| 113.25.630 | 494.4 | 732 | 528 | 75 | 24 | 18 | 16 | 6 | 83 | 110 | |
| 114.25.630 | 491.2 | 732 | 528 | 75 | 24 | 18 | 16 | 8 | 62 | 110 | |
| 113.25.710 | 572.4 | 812 | 608 | 75 | 24 | 18 | 16 | 6 | 96 | 126 | |
| 114.25.710 | 571.2 | 812 | 608 | 75 | 24 | 18 | 16 | 8 | 72 | 122 | |
| 113.28.800 | 635.2 | 922 | 678 | 82 | 30 | 22 | 20 | 8 | 80 | 186 | |
| 114.28.800 | 634 | 922 | 678 | 82 | 30 | 22 | 20 | 10 | 64 | 186 | |
| 113.28.900 | 739.2 | 1022 | 778 | 82 | 30 | 22 | 20 | 8 | 93 | 208 | |
| 114.28.900 | 734 | 1022 | 778 | 82 | 30 | 22 | 20 | 10 | 74 | 208 | |
| 113.28.1000 | 824 | 1122 | 878 | 82 | 36 | 22 | 20 | 10 | 83 | 220 | |
| 114.28.1000 | 820.8 | 1122 | 878 | 82 | 36 | 22 | 20 | 12 | 69 | 220 | |
| 113.28.1120 | 944 | 1242 | 998 | 82 | 36 | 22 | 20 | 10 | 95 | 273 | |
| 114.28.1120 | 940.8 | 1242 | 998 | 82 | 36 | 22 | 20 | 12 | 79 | 273 | |
| 113.32.1250 | 1048.8 | 1390 | 1110 | 91 | 40 | 26 | 24 | 12 | 88 | 386 | |
| 114.32.1250 | 1041.6 | 1390 | 1110 | 91 | 40 | 26 | 24 | 14 | 75 | 390 | |
| 113.32.1400 | 1192.8 | 1540 | 1260 | 91 | 40 | 26 | 24 | 12 | 100 | 441 | |
| 114.32.1400 | 1195.6 | 1540 | 1260 | 91 | 40 | 26 | 24 | 14 | 86 | 441 | |
| 113.32.1600 | 1391.6 | 1740 | 1460 | 91 | 45 | 26 | 24 | 14 | 100 | 502 | |
| 114.32.1600 | 1382.4 | 1740 | 1460 | 91 | 45 | 26 | 24 | 16 | 87 | 517 | |
| 113.32.1800 | 1573.6 | 1940 | 1660 | 91 | 45 | 26 | 24 | 14 | 113 | 605 | |
| 114.32.1800 | 1574.4 | 1940 | 1660 | 91 | 45 | 26 | 24 | 16 | 99 | 605 | |
| 113.40.2000 | 1734.4 | 2178 | 1825 | 112 | 48 | 33 | 30 | 16 | 109 | 977 | |
| 114.40.2000 | 1735.2 | 2178 | 1825 | 112 | 48 | 33 | 30 | 18 | 97 | 977 | |
| 113.40.2240 | 1990.4 | 2418 | 2065 | 112 | 48 | 33 | 30 | 16 | 125 | 1229 | |
| 114.40.2240 | 1987.2 | 2418 | 2065 | 112 | 48 | 33 | 30 | 18 | 111 | 1229 | |
| 113.40.2500 | 2239.2 | 2678 | 2325 | 112 | 56 | 33 | 30 | 18 | 125 | 1211 | |
| 114.40.2500 | 2228 | 2678 | 2325 | 112 | 56 | 33 | 30 | 20 | 112 | 1211 | |
| 113.40.2800 | 2527.2 | 2978 | 2625 | 112 | 56 | 33 | 30 | 18 | 141 | 1396 | |
| 114.40.2800 | 2528 | 2978 | 2625 | 112 | 56 | 33 | 30 | 20 | 127 | 1396 | |
| 113.50.3150 | 2828 | 3376 | 2922 | 134 | 56 | 45 | 42 | 20 | 142 | 2344 | |
| 114.50.3150 | 2824.8 | 3376 | 2922 | 134 | 56 | 45 | 42 | 22 | 129 | 2344 |

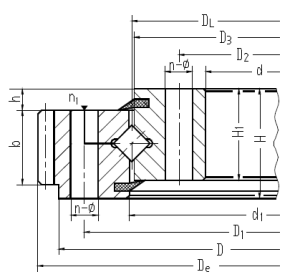
| 型号 DL mm | De mm | D mm | d mm | H mm | n | φ mm | M mm | m mm | z | 参考重量 kg | |
|---|---|---|---|---|---|---|---|---|---|---|---|
| 111.25.500 | 629 | 602 | 398 | 75 | 20 | 18 | 16 | 5 | 123 | 84 | |
| 112.25.500 | 628.8 | 602 | 398 | 75 | 20 | 18 | 16 | 6 | 102 | 84 | |
| 111.25.560 | 689 | 662 | 458 | 75 | 20 | 18 | 16 | 5 | 135 | 92 | |
| 112.25.560 | 688.8 | 662 | 458 | 75 | 20 | 18 | 16 | 6 | 112 | 92 | |
| 111.25.630 | 772.8 | 732 | 528 | 75 | 24 | 18 | 16 | 6 | 126 | 111 | |
| 112.25.630 | 774.4 | 732 | 528 | 75 | 24 | 18 | 16 | 8 | 94 | 111 | |
| 111.25.710 | 850.8 | 812 | 608 | 75 | 24 | 18 | 16 | 6 | 139 | 125 | |
| 112.25.710 | 854.4 | 812 | 608 | 75 | 24 | 18 | 16 | 8 | 104 | 125 | |
| 111.28.800 | 966.4 | 922 | 678 | 82 | 30 | 22 | 20 | 8 | 118 | 179 | |
| 112.28.800 | 968 | 922 | 678 | 82 | 30 | 22 | 20 | 10 | 94 | 179 | |
| 111.28.900 | 1062.4 | 1022 | 778 | 82 | 30 | 22 | 20 | 8 | 130 | 200 | |
| 112.28.900 | 1068 | 1022 | 778 | 82 | 30 | 22 | 20 | 10 | 104 | 200 | |
| 111.28.1000 | 1188 | 1122 | 878 | 82 | 36 | 22 | 20 | 10 | 116 | 242 | |
| 112.28.1000 | 1185.6 | 1122 | 878 | 82 | 36 | 22 | 20 | 12 | 96 | 242 | |
| 111.28.1120 | 1298 | 1242 | 998 | 82 | 36 | 22 | 20 | 10 | 127 | 261 | |
| 112.28.1120 | 1305.6 | 1242 | 998 | 82 | 36 | 22 | 20 | 12 | 106 | 261 | |
| 111.32.1250 | 1449.6 | 1390 | 1110 | 91 | 40 | 26 | 24 | 12 | 118 | 362 | |
| 112.32.1250 | 1453.2 | 1390 | 1110 | 91 | 40 | 26 | 24 | 14 | 101 | 362 | |
| 111.32.1400 | 1605.6 | 1540 | 1260 | 91 | 40 | 26 | 24 | 12 | 131 | 417 | |
| 112.32.1400 | 1607.2 | 1540 | 1260 | 91 | 40 | 26 | 24 | 14 | 112 | 411 | |
| 111.32.1600 | 1817.2 | 1740 | 1460 | 91 | 45 | 26 | 24 | 14 | 127 | 488 | |
| 112.32.1600 | 1820.8 | 1740 | 1460 | 91 | 45 | 26 | 24 | 16 | 111 | 484 | |
| 111.32.1800 | 2013.2 | 1940 | 1660 | 91 | 45 | 26 | 24 | 14 | 141 | 530 | |
| 112.32.1800 | 2012.8 | 1940 | 1660 | 91 | 45 | 26 | 24 | 16 | 123 | 530 | |
| 111.40.2000 | 2268.8 | 2178 | 1825 | 112 | 48 | 33 | 30 | 16 | 139 | 935 | |
| 112.40.2000 | 2264.4 | 2178 | 1825 | 112 | 48 | 33 | 30 | 18 | 123 | 935 | |
| 111.40.2240 | 2492.8 | 2418 | 2065 | 112 | 48 | 33 | 30 | 16 | 153 | 1008 | |
| 112.40.2240 | 2498.4 | 2418 | 2065 | 112 | 48 | 33 | 30 | 18 | 136 | 1008 | |
| 111.40.2500 | 2768.4 | 2678 | 2325 | 112 | 56 | 33 | 30 | 18 | 151 | 1147 | |
| 112.40.2500 | 2776 | 2678 | 2325 | 112 | 56 | 33 | 30 | 20 | 136 | 1147 | |
| 111.40.2800 | 3074.4 | 2978 | 2625 | 112 | 56 | 33 | 30 | 18 | 168 | 1320 | |
| 112.40.2800 | 3076 | 2978 | 2625 | 112 | 56 | 33 | 30 | 20 | 151 | 1320 | |
| 111.50.3150 | 3476 | 3376 | 2922 | 134 | 56 | 45 | 42 | 20 | 171 | 2222 | |
| 112.50.3150 | 3471.6 | 3376 | 2922 | 134 | 56 | 45 | 42 | 22 | 155 | 2222 |

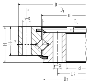
| 型号 DL mm | D mm | d mm | H mm | n | φ mm | M mm | 参考重量 kg |
|---|---|---|---|---|---|---|---|
| 110.25.500 | 602 | 398 | 75 | 20 | 18 | 16 | 77 |
| 110.25.560 | 662 | 458 | 75 | 20 | 18 | 16 | 87 |
| 110.25.630 | 732 | 528 | 75 | 24 | 18 | 16 | 95 |
| 110.25.710 | 812 | 608 | 75 | 24 | 18 | 16 | 111 |
| 110.28.800 | 922 | 678 | 82 | 30 | 22 | 20 | 167 |
| 110.28.900 | 1022 | 778 | 82 | 30 | 22 | 20 | 186 |
| 110.28.1000 | 1122 | 878 | 82 | 36 | 22 | 20 | 204 |
| 110.28.1120 | 1242 | 998 | 82 | 36 | 22 | 20 | 233 |
| 110.32.1250 | 1390 | 1110 | 91 | 40 | 26 | 24 | 337 |
| 110.32.1400 | 1540 | 1260 | 91 | 40 | 26 | 24 | 369 |
| 110.32.1600 | 1740 | 1460 | 91 | 45 | 26 | 24 | 425 |
| 110.32.1800 | 1940 | 1660 | 91 | 45 | 26 | 24 | 525 |
| 110.40.2000 | 2178 | 1825 | 112 | 48 | 33 | 30 | 815 |
| 110.40.2240 | 2418 | 2065 | 112 | 48 | 33 | 30 | 944 |
| 110.40.2500 | 2678 | 2325 | 112 | 56 | 33 | 30 | 1026 |
| 110.40.2800 | 2978 | 2625 | 112 | 56 | 33 | 30 | 1375 |
| 110.50.3150 | 3376 | 2922 | 134 | 56 | 45 | 42 | 2097 |








评价
目前还没有评价